排气量 @ 50 Hz572[CFH]3
行程1.10[inch]2
缸径1.81[inch]1
注油量2,0[L]7
排气量 @ 60 Hz686[CFH]4
吸气阀22 s.[mm]5
缸数40
净重218.3[lb]8
排气阀18 s.[mm]6

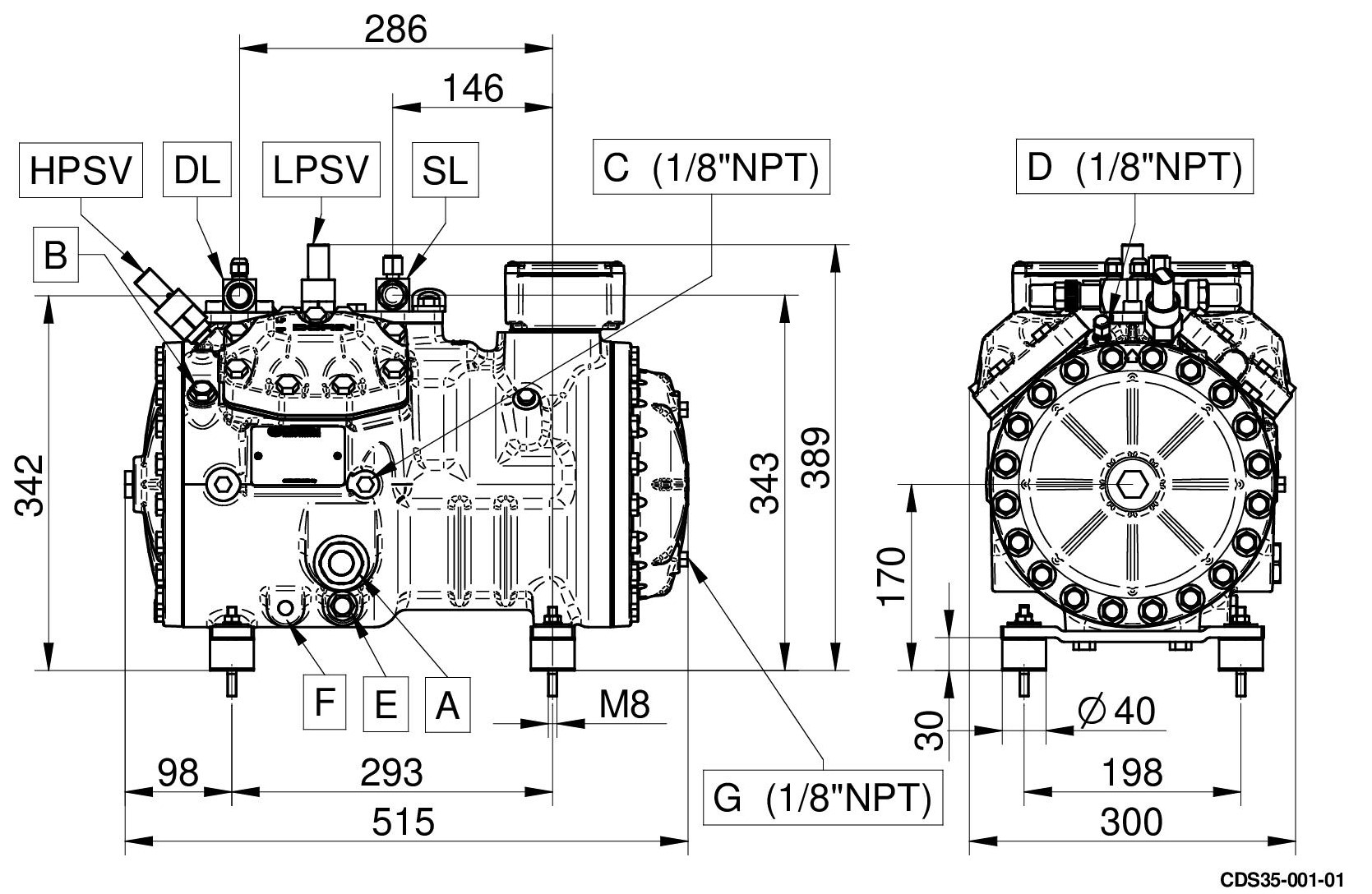
A - 油视镜
B - 注油塞
C - 低压旋塞
D - 高压旋塞
E - 排油塞
F - 曲轴箱加热器
G - 回油
DL - 排气阀
SL - 吸气阀
LPSV - 低压安全阀
HPSV - 高压安全阀

标题 保存
1LTZ017_CDS_12.25.pdf 1LTZ017_CDS_12.25.pdf
1LTG665-15.pdf 1LTG665-15.pdf
1LTG910_06_DI_SCC_CDS_CD.pdf 1LTG910_06_DI_SCC_CDS_CD.pdf
系列 CDS
Top
null 查看更多
x