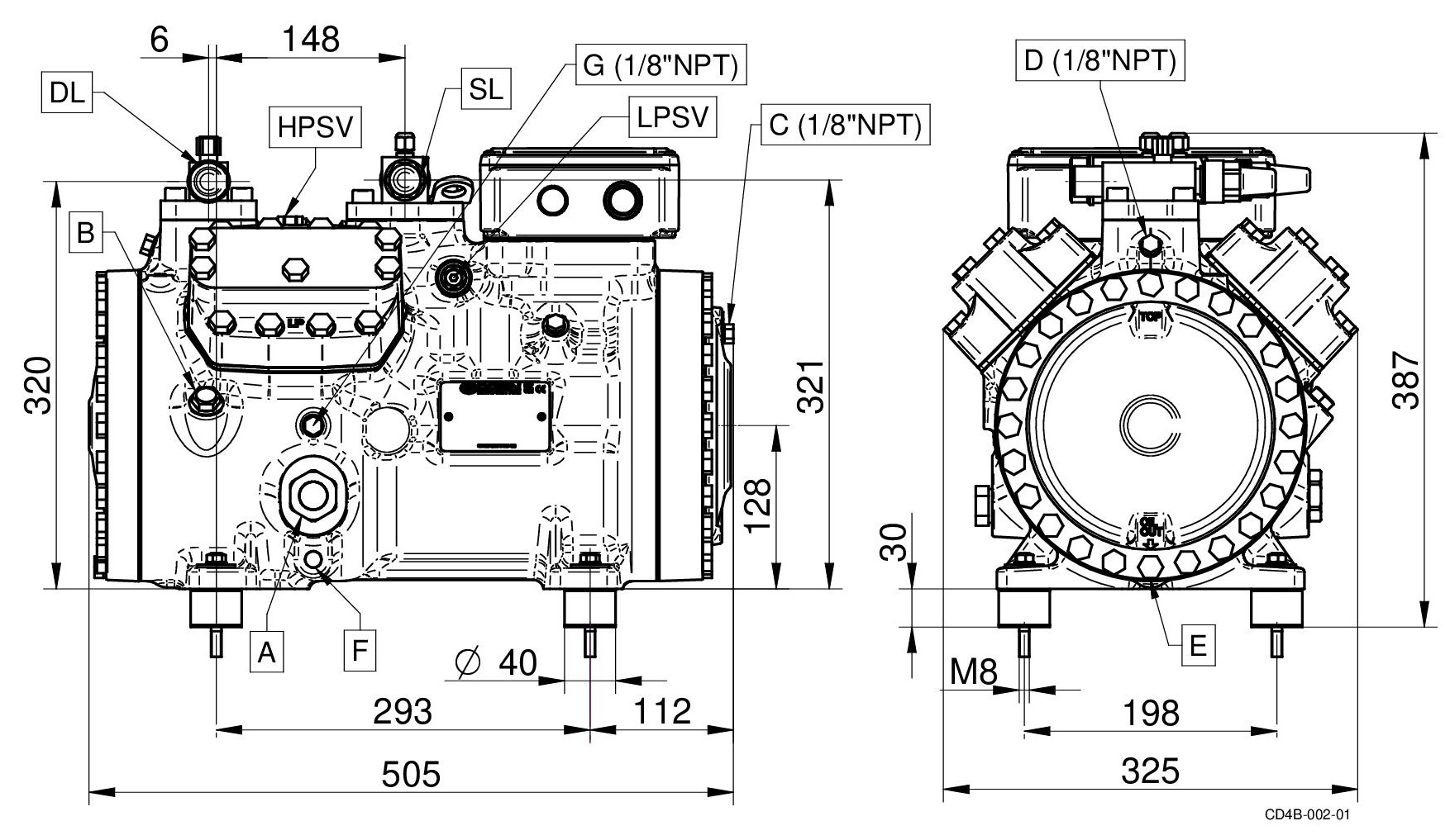
最大输入功率 @ 50 Hz11.4[kW]11
排气量 @ 50 Hz443[CFH]3
行程1.02[inch]2
缸径1.65[inch]1
注油量1,7[L]9
最大输入功率 @ 60 Hz13.7[kW]12
排气量 @ 60 Hz531[CFH]4
吸气阀1.38[inch]6
缸数40
净重233.7[lb]10
排气阀0.94[inch]8

标题 保存
1LTZ016_CD_02.26.pdf 1LTZ016_CD_02.26.pdf
1LTZ053_CD_PRO+_02.26.pdf 1LTZ053_CD_PRO+_02.26.pdf
1LTZ072_BX_02.26.pdf 1LTZ072_BX_02.26.pdf
1LTG665-15.pdf 1LTG665-15.pdf
1LTG910_06_DI_SCC_CDS_CD.pdf 1LTG910_06_DI_SCC_CDS_CD.pdf
系列 CD
Top
null 查看更多
x